* Your Name:
* Email (This will not be displayed)
* Rating:
Holley has been the undisputed leader in fuel systems for over 100 years. Holley carburetors powered every Monster Energy NASCAR Cup team and nearly every NHRA Pro-Stock champion for four decades. Now, Holley EFI products power these cars and are dominating the performance world. Holley products for GM's popular LS engine are dominating the LS scene as well. Holley's products also include performance fuel pumps, intake manifolds and engine dress-up products for street performance, race and marine applications. As a single solution or partnered with products from other Holley companies we can give you the edge you need over the competition!

| Download Name | File Size |
| efi_selection_chart62914.pdf | 836.71KB |
| 199r10836.pdf | 1.25MB |
| Emission Code | 4 |
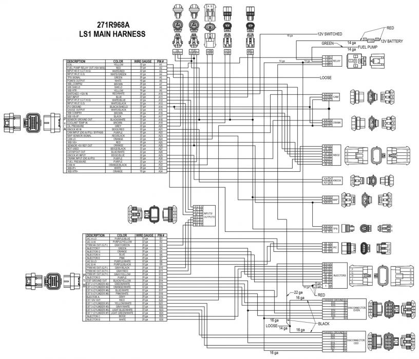
| Harness Application | LSX |
| Part Type | Fuel Injection Harness |
| Product Type | Harness Kit |